shopping_cart Add to Cart
favorite Wishlist (0)
account_circle My Account
Toutes vos pièces mécaniques et électriques disponibles en direct !
EUR
  • EUR €
  • GBP £
  • USD $
  • Connexion
 0

Your cart is empty

Wishlist 0
MECADIRECT
Nous appeler ?
0251612084
Nous écrire ?
mecadirect@gmail.com
Menu
  • Menu
    Retour
  • Page d'accueil
  • MECANIQUE
      • Transmission
        • Roulements
          • roulement 1 rangée de billes SKF, FAG
          • Roulement à une rangée de billes jeu C3
          • Roulement 1 rangée de billes NEUTRE
          • roulements à contact angulaire
          • roulements à une rangée rouleaux coniques
          • roulements 1 rangée rouleaux cylindriques
          • roulements à 2 rangées rouleaux sphériques
        • Paliers
          • paliers semelle fonte TR
          • paliers applique 2 trous fonte TR
          • paliers applique 4 trous fonte TR
          • palier applique rond 4 trous fonte TR
          • Palier semelle fonte de grande marque
          • Palier applique 2 trous fonte de grande marque
          • paliers applique 4 trous fonte de grande marque
          • Paliers semelle 2 parties FAG
          • roulements de palier skf, fag
          • paliers lisses fonte
        • Pignons
          • Pignons simple 04-1
          • Pignons simple 05b1
          • pignons simple 06B1
          • Pignons simple 08B1
          • Pignons simple 10B1
          • Pignons simple 12B1
          • Pignons simple 16B1
          • Pignons simple 20B1
          • Pignons simple ASA25
          • Pignons simple ASA35
          • Pignons simple ASA40
          • Pignons simple ASA60
          • Pignons simple ASA80
          • pignons double denture
          • Disque
          • Noix fonte
        • Chaines à rouleaux
          • chaîne double européenne
          • chaîne simple européenne
          • Chaîne à rouleaux ASA
        • Poulies
      • TRansmission
        • Courroies
          • courroie trapézoidale SPB
        • Moyeux amovibles
        • Moyeux expansibles
        • Divers Joints
          • JOINTS TORIQUES
      • Pneumatique
        • vérins double effet FESTO
        • Electrovanne à action directe 2/2 ODE
        • Régulateurs et filtres, lubrificateurs UNIVER
        • Tuyaux pneumatiques polyester
        • Raccords pneumatiques série HB UNIVER
      • Roulement
  • Eléctrique
      • APPAREILLAGE DECLIC
        • Disjoncteurs 1P+N lexic Legrand
        • Disjoncteurs différentiels résidentiel D CLIC Schneider
        • Interrupteurs différentiels résidentiel D CLIC Schneider
        • Porte-fusibles SF clic
        • Commande et télécommande Déclic
        • Autres appareillages modulaires Déclic
        • Disjoncteurs 1p+ N D CLIC SCHNEIDER
      • APPAREILLAGE IDT40
        • Disjoncteurs iDT40, iDT40N
        • Interrupteurs différentiels ID
        • Disjoncteurs différentiels DT40 Vigi
        • Blocs différentiels Vigi DT40
      • APPAREILLAGES IC60
        • Disjoncteurs C60N bipolaire
        • Disjoncteurs C60N tétrapolaire
        • Disjoncteurs C60N tripolaire
        • Disjoncteurs C60N unipolaire
        • Blocs différentiels Vigi C60
        • Accessoires disjoncteurs C60N
      • AUTRES MATERIELS ELECTRIQUES
        • Armoire, coffrets métal et polyester
        • Transformateur
        • Alimentation redressées
        • Accessoires de montage et de cablage éléctrique
        • éclairage LEDS
        • Moteur électrique
  • Composants automatismes
      • Composants automatismes
        • Contacteurs de puissance
          • Autres contacteurs, relais
          • Contacteur de puissance Schneider série LP1K
          • Contacteur tripolaire IMO/TREVIS
          • Contacteurs de puissance Schneider série LC1D
          • Contacteurs de puissance Schneider série LC1K
        • Disjoncteurs moteurs
          • Disjoncteurs moteurs Schneider série GV2
          • Disjoncteurs moteurs TREVIS
        • Relais auxiliaire
        • Relais thermique
        • Boutons de commande et de signalisations
          • Boîtes à boutons de commande métal et plastique Schneider
          • boutons poussoirs et tournants Schneider
          • Voyants de signalisations
        • Interrupteurs fin de course mécanique
          • Interrupteur fin de course classic métal XCKJ
          • Interrupteurs fin de course Classic métalliques
          • Interrupteurs fin de course compacts métalliques
          • Interrupteurs fin de course compacts plastiques
          • Interrupteurs fin de course miniatures métalliques
        • Interrupteurs-sectionneurs et porte-fusibles
      • Interrupteur
Menu
  1. Accueil
  2. Mécanique
  3. Transmission
  4. Pignons
  5. Pignons simple ASA80

Pignons

    • Disque
    • Noix fonte
    • pignons double denture
    • Pignons simple 04-1
    • Pignons simple 05b1
    • pignons simple 06B1
    • Pignons simple 08B1
    • Pignons simple 10B1
    • Pignons simple 12B1
    • Pignons simple 16B1
    • Pignons simple 20B1
    • Pignons simple ASA25
    • Pignons simple ASA35
    • Pignons simple ASA40
    • Pignons simple ASA60
    • Pignons simple ASA80

Meilleures Ventes

Chaine a rouleaux simple 12.7  08b1  diamond (boîte 5m) ref: chn08b1 Chaine a rouleaux simple...

Chaine a rouleaux simple 12.7 08b1 SRC ref: CHN08B1M

8,16 €
Attache a ressort 12.7  08b1 BEA ref: ATT08B1 Attache a ressort 12.7...

Attache a ressort 12.7 08b1 SRC ref: ATT08B1

1,08 €
Attache a ressort 9.525  06b1 SRC ref: ATT06B1 Attache a ressort 9.525...

Attache a ressort 9.525 06b1 SRC ref: ATT06B1

0,48 €
Toutes les meilleures ventes

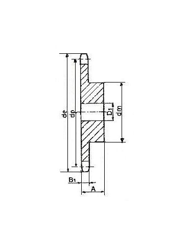
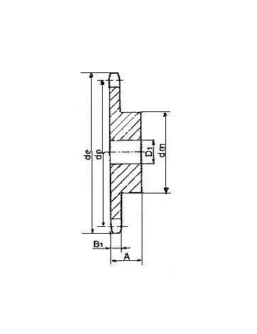
Pignons simple ASA80

Pignon acier simple denture ASA80 avec moyeu préalésé.

Il y a 26 produits.

Trier par :
Pertinence 
Ventes, ordre décroissant Pertinence Nom, A à Z Nom, Z à A Prix, croissant Prix, décroissant Référence, A à Z Référence, Z à A
Affichage 25-26 de 26 article(s)

Filtres actifs

Pignon simple ASA80 35 dents pas de 25.4mm  ref : PIGASA80/35
Add to Wishlist
Aperçu rapide

Pignon simple ASA80 35 dents pas de 25.4mm ref : PIGASA80/35

Prix 126,30 €

Pignon simple ASA80 35 dents pas de 25.4mm ref : PIGASA80/35

Pignon simple ASA80 38 dents pas de 25.4mm  ref : PIGASA80/38
Add to Wishlist
Aperçu rapide

Pignon simple ASA80 38 dents pas de 25.4mm ref : PIGASA80/38

Prix 144,08 €

Pignon simple ASA80 38 dents pas de 25.4mm ref : PIGASA80/38

Affichage 25-26 de 26 article(s)
  • 1
  • 2
  • 3

About us

MECADIRECT

MECADIRECT a pour mission le développement d'une nouvelle approche commerciale de la fourniture industrielle pour les professionnels et les particuliers. Nous offrons toute une gamme de produits, mécanique de transmission, matériel électrique et une gamme automatisme avec des grandes marques de qualité et de fiabilité dont la reconnaissance n' est plus à faire. Notre souci constant , est de satisfaire nos clients avec un service permanent et adapté aux besoins de chacun. De plus grâce à nos coûts d'exploitation minimisés, nous avons pu mettre en place une politique de prix compétitifs et en dessous de la moyenne du marché. De ce fait, nous pouvons contribuer à la performance et la rentabilité des entreprises.

Informations

MECADIRECT
34 LA NIVRETIERE
85510 LE BOUPERE
France
0251612084
mecadirect@gmail.com

INFORMATION

  • Conditions d'utilisation
  • Mentions légales
  • RGPD
  • Promotions
  • Meilleures ventes
  • Nous contacter
  • Sitemap

Votre compte

  • Informations personnelles
  • Retours produit
  • Commandes
  • Avoirs
  • Adresses
  • Vouchers
  • Ma liste d'envies
  • Mes alertes

Bulletin

Recevez nos offres spéciales

Vous pouvez vous désinscrire à tout moment. Vous trouverez pour cela nos informations de contact dans les conditions d'utilisation du site.

Suivez nous

  • Facebook
  • Twitter
  • YouTube
  • Instagram

Produits

  • Promotions
  • Nouveaux produits
  • Meilleures ventes

Notre société

  • Livraison
  • Mentions légales
  • MECADIRECT
  • Paiement sécurisé
  • Contactez-nous
  • plan du site
  • Magasins
Visa Mastercard Paypal American Express Discover JCB
© 2026 - Logiciel e-commerce par PrestaShop™