Pignon pas de 12.7 simple 18 dents A28 ref: PIG08B1/18A28
Pignon pas de 12.7 simple 18 dents A28
ref: PIG08B1/18A28

Paiement sécurisé par CB

Plusieurs Livraisons possible

Retours acceptés dans les 30j
Pignon 12.7 simple 18 dents A28, pas de 12,7mm
matière acier.
ref : PIG08B1/18A28
Définition :
Le pignon est disque acier, inox ou plastique haute performance munit d'un moyeu et d'une denture sur sa périphérie, la forme des
dents définisse le type d'assemblage soit par chaîne à rouleaux ou par denture droite/hélicoidale pour les pignons engrenages.
Rôle :
Le pignon est un organe mécanique permettant la transmission d'un mouvement rotatif d'un arbre ou un axe vers un autre arbre ou
axe parallèle. La liaison est réalisée soit par la denture à denture dans le cas de deux pignons engrenages en contact ou par chaîne
à rouleaux.
- Description des deux montages :
Dans le cas d'une transmission par chaîne à rouleaux, il y aura un pignon à chaque extrémité relié par une chaîne à rouleaux par
l'enroulement de chaque pignon.
Puis dans le cas d'une transmission pignons/engrenages, les deux pignons sont engrenés l'un contre l'autre de façon à mettre en
contact leurs dentures et permettre la transmission du mouvement rotatif dans un sens de rotation ou dans l'autre.
Fonction de la transmission :
Un assemblage pignon/chaîne ou deux pignons à engrenages est une transmission mécanique qui permet aussi de réduire ou
d'augmenter la vitesse de sortie et inversement proportionnel pour le couple.
Ces montages sont fréquemment utilisés sur les machines agricoles et machines de l'industrie.
Le coefficient rapport R est calculé de la façon suivante , le rapport R est égal au pignon menant P1 sur le pignon mené P2
soit R = P1/P2.
Ce rapport permet de définir la vitesse de sortie V2 et le couple C2 par la multiplication de celui-ci par la vitesse connue V1 d'entrée
et par la division de celui-ci par le couple C1 d'entrée.
MECADIRECT, matériels de mécanique transmission.
Pour toutes informations complémentaires, n'hésitez pas à nous contacter.
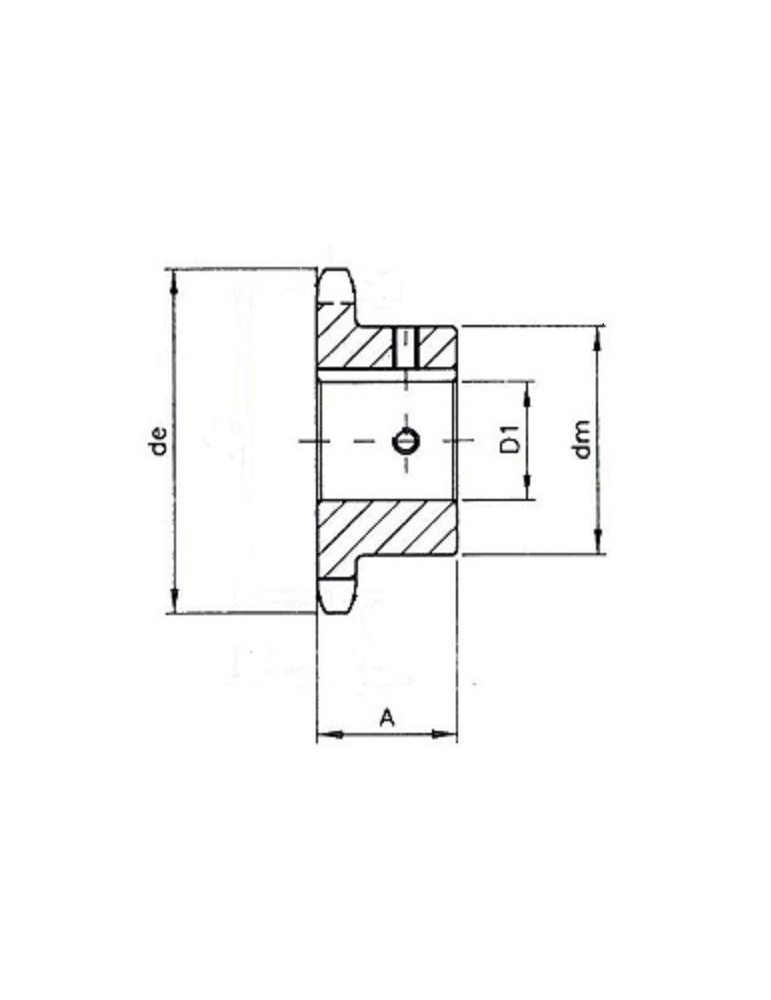
Fiche technique
- Largeur A
- 28
- Diamètre extérieur de
- 78
- Diamètre moyeu dm
- 56
- Alésage d1
- 28