Roulement de palier UC211 FAG ref : UC211
Roulement de palier UC211 FAG
ref : UC211

Paiement sécurisé par CB

Plusieurs Livraisons possible

Retours acceptés dans les 30j
Roulement de palier avec bague débordante et vis pointeau de blocage sur arbre UC211 FAG
ref : UC211
Délai : 3 jours
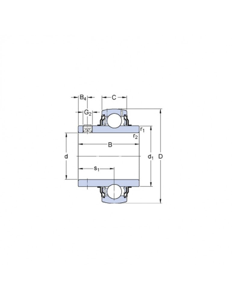
Dimension suivant image plan.
d = 55
D = 100
B = 55.6
C = 25
d1 = 69.8
PALIER AUTO-ALIGNEUR
Définition
Le palier est composé d’un corps avec des trous de fixation de 2,3 ou 4 et un trou central qui est le logement du roulement ou de la
bague lisse.
Le palier est un organe mécanique pour supporter et guider en rotation des arbres de transmission.
Ils peuvent être lisse, l’arbre de transmission glisse dans une bague bronze ou plastique, pour des applications de faibles charges et
faibles vitesses.
Ou les paliers sont équipés d’un roulement à billes auto-aligneurs avec une partie sphérique de la bague extérieure du roulement.
Le palier est conçu aussi d’une partie sphérique de son alésage central, et cela permet à la bague extérieure du roulement d’avoir
un mouvement oscillant dans ce logement.
Cette caractéristique du palier admet des charges radiales plus importantes pour le roulement mais surtout des défauts
d’alignement ou de flexion de l’arbre de transmission.
Le roulement de palier appelé aussi roulement à bague intérieure large est conçu pour s’adapter à la vaste gamme de corps de
paliers.
Ce sont des roulements à billes à gorge profonde de même nature que la série des roulements populaire 6000,6200,6300, mais
étudiés de façon à les rendre plus fonctionnels et plus adaptables que les roulements à billes standards.
Les roulements de palier sont équipés de trois modes de fixation sur l’arbre pour le rendre solidaire en translation, avec des vis
pointeaux, bagues de serrage excentrique ou avec des manchons de serrage conique.
La gamme de paliers propose un large choix de corps, en fonte, en tôle d’acier embouti, en thermoplastique, en résine, en acier
inoxydable.
Les principaux types de corps de paliers sont les suivants :
- palier à semelle
- palier applique
- palier coulisseaux
- palier tendeur
- palier suspendu
Le choix du palier est étroitement lié à l’application mais aussi à l’esthétique de la machine qui est un aspect considéré par les
constructeurs de machines.
Rôle et fonction
Son rôle est de guider un arbre en rotation et de supporter la charge axiale et radiale de celui-ci.
La forme sphérique de l'alésage du palier et de la bague extérieure du roulement permet de compenser les défauts d'alignement du
montage des arbres, les paliers sont utilisés fixe sur l'arbre au moyen des vis pointeau ou bagues excentriques ou manchons de
serrage mais peuvent aussi être montés libres quand la vitesse de rotation et la charge sont faible.
Pour les corps de palier fonte, ils sont monoblocs et peuvent supporter des charges élevées, et sont munit d'une rainure de
graissage dans la partie sphérique intérieure du palier reliée à un trou de graissage extérieur sur lequel est monté un graisseur std
du commerce.
Cette rainure de graissage permet d'amener la graisse à l'intérieur du roulement qui est munit de plusieurs trous sur sa bague
extérieure.
Pour déterminer les capacités de charges et vitesses de rotation des roulements auto-aligneurs, il faut vérifier ces informations sur
les tableaux des catalogues fabricants.
Les capacités de charges des paliers tôle sont moyennes et celles des paliers plastiques ou résines sont encore plus faibles.
( voir tableau catalogue fabricants )
Exemple des description des références les plus courantes :
UC, YAR , GYE = roulement avec bague débordante et vis pointeau de blocage
AS200 , YAT , GAY = roulement avec bague non débordante et vis pointeau de blocage
UEL200, YEL, GE = roulement avec bague débordante et bague de serrage excentrique
AEL200 , YET, GRAE = roulement avec bague non débordante et bague de serrage excentrique
MECADIRECT, matériels mécanique de transmission
Pour toutes informations complémentaires, n'hésitez pas à nous contacter.